Блок Шифратор адресный

_images/coder_address1.png

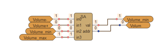
Описание: Блок функции Шифратор адресный выдает на выход addr адрес первого (сверху) входа, имеющего значение 1:

_images/coder_address2.png

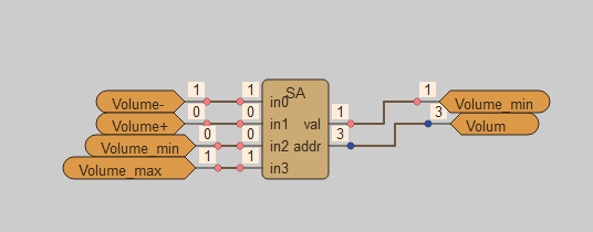
Если в редакторе свойств блока включить Приоритет большего, то выход addr будет иметь значение последнего (сверху) входа, имеющего значение 1:

_images/coder_address3.png
_images/coder_address4.png

Выход val устанавливает 1, если на входе имеется хотя бы одна 1, в случае отсутствия единиц на входах, выход val имеет значение 0, а выход addr255:

_images/coder_address5.png

Общие свойства: см. раздел Редактирование свойств блока.

Количество входов: в данном пункте предоставляется возможность изменения количества входов соответствующего блока. Допускается от 2 до 255 входов.