Блок Счетчик

_images/fbd_block_CNTR.png

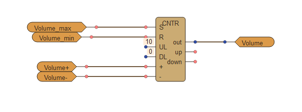
Описание: Универсальный счетчик. Блок содержит: блок записи фиксированного значения (при старте значение равно 0), операцию сложения-вычитания, операцию сравнения. Блок функции «Счетчик» производит операцию счета количества изменений состояний на входах + и -. При подаче 1 на вход S значение счетчика становится равно значению UL (максимуму), 1 на вход R – значению DL (минимума). Счет производится посредством прибавления к текущему значению 1 при фиксировании изменения состояния из 0 в 1 входа + и вычитания из текущего значения 1 при фиксировании изменения состояния из 0 в 1 входа -. В UL следует записывать верхнюю границу счета, а в DL, соответственно, нижнюю. На выходе out формируется текущее значение счетчика. На выходах up и down фиксируется достижение счетчиком верхней UL и нижней DL границы допустимых значений, при этом счет останавливается, и значение на соответствующем из выходов не меняется, до тех пор пока не будет установлена 1 на вход R или S. Следует учитывать, что счет начнется также только при условии, что значения на входах S и R равны 0. Т.е. сигналы на данных входах должны быть кратковременными. Входы S, R, +, - можно изменять в редакторе свойств на передний фронт, задний фронт, прямой или инверсный.

Свойства блока:

Общие свойства: см. раздел Редактирование свойств блока.

Тип данных: в данном пункте предоставляется выбрать любой из предложенных типов данных для выхода val. Тип данных следует указывать таким же, что и тип данных переменных, значения которых собираетесь считывать.

Начальное значение: в данном пункте устанавливается нижняя граница счетчика.

Примером использования данного блока могут служить кнопки увеличения и уменьшения громкости звука на пульте телевизора:

_images/counter.png